|
產品分類
球閥系列
蝶閥系列
風閥系列
氣動閥
電動閥
閘截止閥
執行器
調節閥
BERSST
VEAPON
配件系列
SEFORT
AirTorque
i-Tork
SUNYEH
SIRCA
|
|
BERSST
【BERSST】氣動高溫風閥
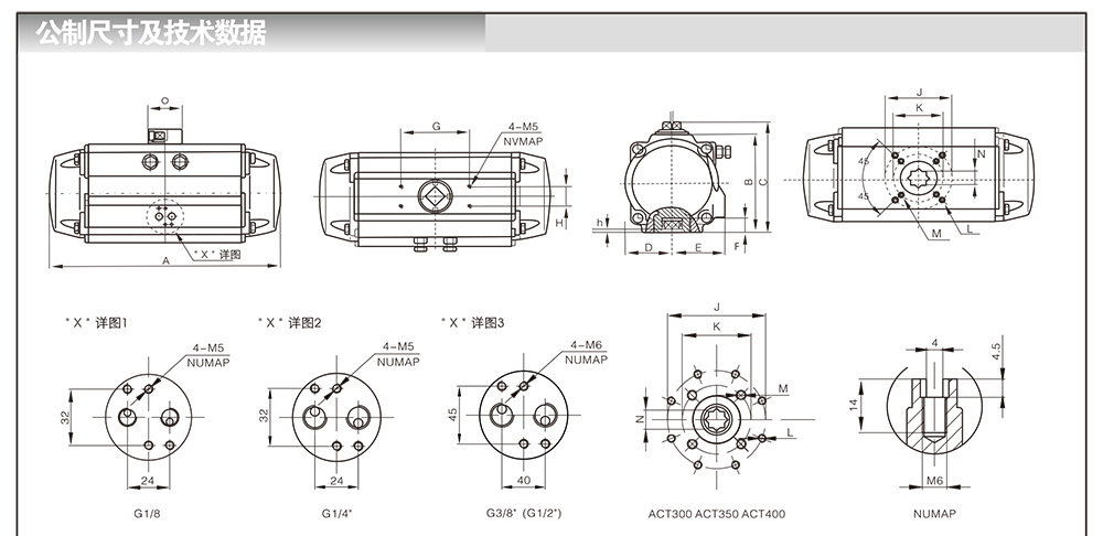
氣缸品牌:BERSST 氣缸形式:雙作用、單作用 閥體材質:碳鋼WCB、304/316 連接方式:法蘭 環境溫度:標準型-20℃~+80℃
QQ:362152520
電話/微信:18913311535
產品細節
1、法蘭連接 碳鋼材質法蘭連接,泄漏率≤1% 2、內部結構 內腔通水冷卻或高溫澆注料或硅酸鋁陶瓷纖維隔熱 3、光滑表面 采用碳鋼材質,尺寸標準,表面光滑 
|
|